Cazan pe lemne 25kW Termo+ – eficiență și control în spații rezidențiale
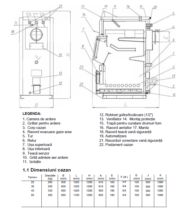
Modelul Termo+ 25kW este un cazan pe lemne sau cărbune cu tiraj forțat, proiectat pentru utilizare în locuințe sau anexe de dimensiuni medii. Asigură un randament ridicat și stabilitate în funcționare datorită camerei de ardere cu 3 treceri și ventilatorului inteligent cu reglaj digital.
Ardere optimizată, randament crescut
- Funcționează cu lemn de foc sau cărbune cu putere calorică >15 MJ/kg
- Tiraj forțat – ventilator cu reglaj automat în funcție de temperatură
- Cameră de ardere cu 3 treceri – eficiență termică îmbunătățită
Construcție durabilă, standarde europene
- Fabricat conform EN 303-5, clasa 4
- Grosime perete 5 mm – durabilitate în timp
- Panou de comandă digital cu afișaj ușor de utilizat
Caracteristici tehnice principale:
- Putere nominală: 25 kW
- Presiune max. lucru: 3 bar
- Temperatură lucru: 60–90°C
- Volum apă cazan: 97 litri
- Consum lemn/cărbune: 20–25 kW
- Lungime max. lemn: 530 mm
- Tiraj necesar: 20 Pa
Ideal pentru:
- Locuințe individuale, anexe gospodărești
- Consumatori care caută soluții fără gaz metan
- Clienți care doresc un sistem de încălzire robust și simplu de întreținut













Recenzii clienți
Recenzii
Nu există recenzii.
Scrie o recenzie a clientului